启东市昶鑫环保设备有限公司

主营:防泄漏煤气排水器,煤气排水器,消声器,隔声罩,隔声屏,吸声体,过滤器,煤气冷凝水排水器,发电机降噪,冷却塔降噪,热泵机组降噪,弹子阀
您现在的位置: 冶金、矿产、能源 > 启东市昶鑫环保设备有限公司 > 供求信息
载入中……
[供应]供应煤气水封器
点击图片放大
  • 产品产地:
  • 产品品牌:
  • 包装规格:
  • 产品数量:
  • 计量单位:
  • 产品单价:
  • 更新日期:2025-02-01 15:37:52
  • 有效期至:2026-02-01
  • 收藏此信息
供应煤气水封器 详细信息

煤气用系列水封器 
一、用 途
  JD-W系列水封器设在煤气清洗设施的快速水封切断阀下方

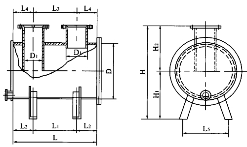
二、结构形式
  1、本设备由一根水平管和两根垂直短管组成一个“U”形水封,水平管两端用钢板堵死,在水平管底部有个支座,可与钢支架安装。
  2、本设备利用水封高度克服煤气压力,从而封住煤气,起割断煤气排出冷凝水作用。

三、产品技术参数

设计压力PN0.1MPa法兰标准HG20593-97


 
型 号 L L1 L2 L3 L4 L5 H H1 H2 D D1 备注 
JD-W-30-60 600 400 100 350 125 300 630 330 300 315 108 双

式 
JD-W-35-65 650 400 125 300 175 320 630 330 300 362 133 
JD-W-40-80 800 530 135 400 200 300 700 350 350 414 159 
JD-W-40-80II 830 530 150 300 110 300 700 350 350 414 133 
JD-W-60-90 900 500 200 450 225 700 950 500 450 618 219 
JD-W-60-100 1000 600 200 500 250 700 1000 500 500 618 325 
JD-W-60-110 1150 730 210 550 300 700 1000 500 500 618 325 
JD-W-70-105 1000 600 200 500 250 500 1050 520 530 720 273 
 
  
四、结构示意图 
 

同类型其他产品
免责声明:所展示的信息由企业自行提供,内容的真实性、和合法性由发布企业负责,浙江民营企业网对此不承担任何保证责任。
友情提醒:普通会员信息未经我们人工认证,为了保障您的利益,建议优先选择浙商通会员。

关于我们 | 友情链接 | 网站地图 | 联系我们 | 最新产品

浙江民营企业网 www.zj123.com 版权所有 2002-2010

浙ICP备11047537号-1