启东市昶鑫环保设备有限公司

主营:防泄漏煤气排水器,煤气排水器,消声器,隔声罩,隔声屏,吸声体,过滤器,煤气冷凝水排水器,发电机降噪,冷却塔降噪,热泵机组降噪,弹子阀
您现在的位置: 机械及行业设备 > 过滤设备及材料 > 过滤器 > 启东市昶鑫环保设备有限公司 > 供求信息
载入中……
[供应]煤粉过滤器
点击图片放大
  • 产品产地:
  • 产品品牌:
  • 包装规格:
  • 产品数量:
  • 计量单位:
  • 产品单价:
  • 更新日期:2025-02-01 15:39:35
  • 有效期至:2026-02-01
  • 收藏此信息
煤粉过滤器 详细信息

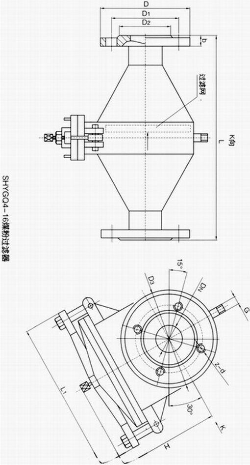
煤粉过滤器
   
  
 
一、结构特点

SGQ4系列煤粉过滤器是经北京钢铁设计研究总院等单位根据冶金系统要求,高炉煤粉过滤的特点而研究设计,过滤器在结构上和材料选用上以及加工精度上有一定的要求和特点。

本系列过滤器是用于过滤煤粉中超粒物及杂物等,使煤粉输送畅通无阻。

该产品结构紧凑,重量轻,性能可靠,广泛应用于冶金,石化等行业各种粉尘管道及容器上过滤作用。

二、SGQ4-16主要外形和连接尺寸

公称通径DN D D1 D2 b D3 H L L1 Z-d G" 
40 145 110 88 18 160 263 332 246 4-18 1/2 
50 160 125 108 20 180 232 428 300 4-18 1/2 
65 180 145 122 20 234 277 556 360 4-18 1/2 
80 195 160 135 22 288 345 684 450 8-18 3/4 
100 215 180 155 22 337 365 855 505 8-18 3/4 
125 245 210 188 22 386 402 1069 560 8-18 3/4 
150 280 240 210 24 440 440 1283 610 8-22 1 
                      
 
 

同类型其他产品
免责声明:所展示的信息由企业自行提供,内容的真实性、和合法性由发布企业负责,浙江民营企业网对此不承担任何保证责任。
友情提醒:普通会员信息未经我们人工认证,为了保障您的利益,建议优先选择浙商通会员。

关于我们 | 友情链接 | 网站地图 | 联系我们 | 最新产品

浙江民营企业网 www.zj123.com 版权所有 2002-2010

浙ICP备11047537号-1