启东市昶鑫环保设备有限公司

主营:防泄漏煤气排水器,煤气排水器,消声器,隔声罩,隔声屏,吸声体,过滤器,煤气冷凝水排水器,发电机降噪,冷却塔降噪,热泵机组降噪,弹子阀
您现在的位置: 冶金、矿产、能源 > 启东市昶鑫环保设备有限公司 > 供求信息
载入中……
[供应]供应煤气管道单管二室冷凝水排水器
点击图片放大
  • 产品产地:
  • 产品品牌:
  • 包装规格:
  • 产品数量:
  • 计量单位:
  • 产品单价:
  • 更新日期:2025-02-01 15:38:34
  • 有效期至:2026-02-01
  • 收藏此信息
供应煤气管道单管二室冷凝水排水器 详细信息

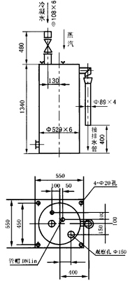
JD-1PS-20型煤气管道单管二室冷凝水排水器(水封高度2040mm)
 
一、概 述
  1、本排水器适用于计算压力低于15000Pa的各种煤气管网。
  2、排水器不设固定给水管,采用在观察处定期检查给水的办法,第一次开工灌水时,需打开顶盖上的DNlin管帽排放空气。
  3、插入敞开室的DNlin蒸汽管,视南北方地区的气体条件决定是否需要接上外部蒸汽管,南方地区不接蒸汽管时需用管帽盖上。
  4、排水器两个室水封总高度2040mm,水容积为0.251m3,水位高度1200mm。
 

同类型其他产品
免责声明:所展示的信息由企业自行提供,内容的真实性、和合法性由发布企业负责,浙江民营企业网对此不承担任何保证责任。
友情提醒:普通会员信息未经我们人工认证,为了保障您的利益,建议优先选择浙商通会员。

关于我们 | 友情链接 | 网站地图 | 联系我们 | 最新产品

浙江民营企业网 www.zj123.com 版权所有 2002-2010

浙ICP备11047537号-1