上海哈电阀门有限公司

主营:闸阀,截止阀,安全阀,止回阀
您现在的位置: 仪器仪表 > 阀门 > 其他阀门 > 上海哈电阀门有限公司 > 供求信息
载入中……
[供应]供应单室平衡容器
点击图片放大
  • 产品产地:
  • 产品品牌:
  • 包装规格:
  • 产品数量:
  • 计量单位:
  • 产品单价:
  • 更新日期:2014-09-29 09:11:19
  • 有效期至:2015-09-29
  • 收藏此信息
供应单室平衡容器 详细信息

单室平衡容器
型号:B67 
一、用途: 
    单室平衡容器与水位指示器或压差发讯器配套使用,用来控制给水流量、测量水位、报警。可以在锅炉启动,停炉过程中及正常运行情况下反映汽鼓内质量(重量)水位。 
二、结构简述: 
    1.单室平衡容器有前后封头、管接头及三通组成。
    2.单室平衡容器输出压头作为水位指示器或压差变送器的压头使用。  
三、安装说明: 
    3.必须保证单室平衡容器安装后与汽鼓引出管处于水平位置。
    4.单室平衡容器外部不准保温。 
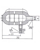
B67-32 B67-42 单室平衡容器  
 
主要连接尺寸: 
型号 D 
B67-32 Φ39 
B67-42 Φ52 
 
主要零件材料: 
件号 1 2 3 4 
名称 前封头 散热片 后封头 管接头 
材料 碳钢 碳钢 碳钢 碳钢 
 

同类型其他产品
免责声明:所展示的信息由企业自行提供,内容的真实性、和合法性由发布企业负责,浙江民营企业网对此不承担任何保证责任。
友情提醒:普通会员信息未经我们人工认证,为了保障您的利益,建议优先选择浙商通会员。

关于我们 | 友情链接 | 网站地图 | 联系我们 | 最新产品

浙江民营企业网 www.zj123.com 版权所有 2002-2010

浙ICP备11047537号-1