泰兴市祥瑞传动机械制造有限公司

主营:圆柱齿轮减速机,齿轮减速机,硬齿面减速机
您现在的位置: 机械及行业设备 > 通用机械 > 减速机、变速机 > 泰兴市祥瑞传动机械制造有限公司 > 供求信息
载入中……
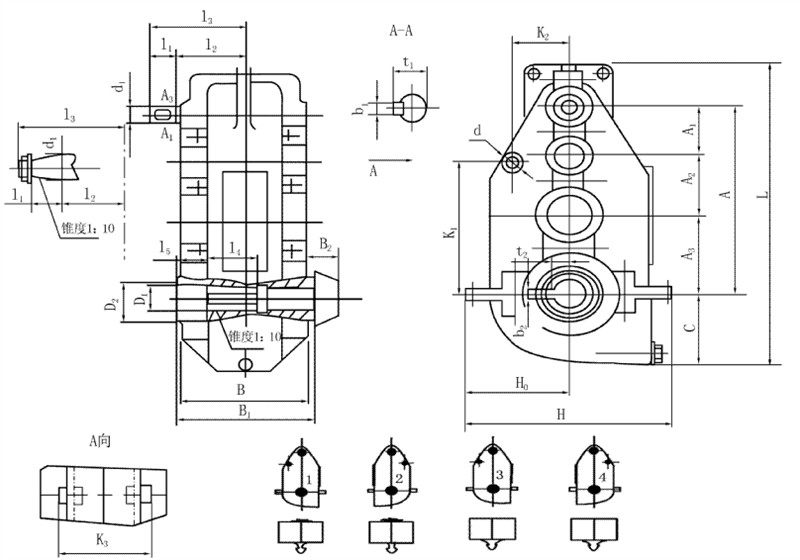
[供应]供应ZSC,ZSC(A)圆柱齿轮减速机
点击图片放大
  • 产品产地:泰兴
  • 产品品牌:泰兴
  • 包装规格:ZSC,ZSC(A)
  • 产品数量:
  • 计量单位:台
  • 产品单价:
  • 更新日期:2014-03-10 16:01:56
  • 有效期至:2015-03-10
  • 收藏此信息
供应ZSC,ZSC(A)圆柱齿轮减速机 详细信息

产品名称: ZSC(ZSCA)系列减速器 
主要型号:320~800
装配形式:4种(Ⅰ~Ⅳ)
传动比代号传动比代号;
ZSC35:I,II       
ZSC40:I,II,III,IV       
ZSC60:I,II,III,IV,V       
ZSC60:I,II,III,IV,V,VI 

传动比:
ZSC35:35.1,17.2
ZSC40:16.4,22.4,37.33,49.86      
ZSC60:77.5,59.0,46.7,37.9,27.3      
ZSC60:166.9,133.9,54.75,34.40,38.97,20.0

适用范围: 
A:起重机械 B:运输机械 C:石油机械 
D:化工机械 E:建筑机械 F:煤炭机械
G:轻工机械 H:纺织机械等机械设备
主要功能:
A:为使用设备提供适当的速度;
B:增加电机输出扭矩;
C:改变电机的输出方向。
保养维护:
A:随时注意减速器的润滑油要达到一定的高度,并要根据不同的减
速器,加不同型号的润滑油;
B:注意减速器的运转声音是否正常来确定减速器齿轮的使用情况。

联系人:李德铨  18961413936  0519-83708299
联系传真:0519-89803936   网址:www.txjsjc.cn

同类型其他产品
免责声明:所展示的信息由企业自行提供,内容的真实性、和合法性由发布企业负责,浙江民营企业网对此不承担任何保证责任。
友情提醒:普通会员信息未经我们人工认证,为了保障您的利益,建议优先选择浙商通会员。

关于我们 | 友情链接 | 网站地图 | 联系我们 | 最新产品

浙江民营企业网 www.zj123.com 版权所有 2002-2010

浙ICP备11047537号-1